《多功能交流采樣變送器檢定裝置》服務快捷深受廣大客戶好評
新疆且末750千伏變電站正式通電。據悉,該變電站是新疆環塔里木盆地750千伏輸變電工程一座新建變電站。
據了解,和田—民豐—且末—若羌750千伏輸變電工程是我國很大的750千伏超高壓環網工程。新疆環塔里木盆地750千伏輸變電工程由9項750千伏輸變電工程分階段施工完成,共建變電站9座、開關站1座,線路總長4197公里,于2010年3月巴州750千伏變電站開始開工建設。工程線路幾乎沿我國很大沙漠——塔克拉瑪干沙漠展開,電網延伸覆蓋區域將達到106萬平方公里,接近我國陸地面積的1/9,成為我國很大的750千伏輸電環網。
環塔里木盆地750千伏輸變電工程的建成將全面提升南疆五地州的供電保障能力,支撐南疆產業升級與經濟高質量發展。預計到2025年,南疆五地州很大用電負荷將超過1400萬千瓦,該工程將為若羌、且末等地的礦產開發、新能源產業發展及鄉村全面振興提供堅實的電力保障,推動塔里木盆地煤電油氣風光儲資源開發,加速能源優勢向經濟優勢轉化。工程投運后可帶動產業投資超283億元,提供就業崗位超8000個,助力新疆經濟社會發展。
同時,該工程還將有力推進南疆新型電力系統建設,新增800萬千瓦新能源接納能力,大幅提升南疆光伏等新能源匯集送出能力,帶動南疆5000萬千瓦新能源發展,保障且末、若羌等地光伏治沙項目并網。同時,工程進一步優化南疆主網架,推動新疆形成“北接南延、西連東送"的750千伏樞紐型電網格局,提升南疆很大供電能力80萬~100萬千瓦。工程將加速新疆電網形成“內供七環網、外送五通道"主網架,打通內部供電“一公里",串聯外送通道“主動脈",推動新疆與青海大電網互聯互通,提升綠色能源外送能力,服務全國電力保供大局。

一、產品概述(LYBSY-3000《多功能交流采樣變送器檢定裝置》服務快捷深受廣大客戶好評)
LYBSY-3000多功能交流采樣變送器檢定裝置是采用現代測試,DDS波形合成,高速數字處理器( DSP ),復雜可編程邏輯陣列( CPLD ),大規模集成功放,嵌入式計算機系統等技術而設計。適用于電能表(選配),交直流指示儀表的檢定和校準,是電力系統用于電力產品檢定和校準的理想設備。
二、主要特點(LYBSY-3000《多功能交流采樣變送器檢定裝置》服務快捷深受廣大客戶好評)
國內開創將系統、測量和信號產生集成在一個模塊上,產品集成度高,故障率低,體積小,重量輕,響應速度快,效率高,可靠性高,功能強,輸出功率大,標準源輸出。
采用獨立創操作系統,開機立即顯示測試畫面,無需導引程序,響應速度快,工作效率高。
視窗和按鍵操作結合(二功能兼備),操作具有多樣性,可適用于不同人群和習慣,操作簡單。
內含交直流標準源,可直接檢定各種交直流指示儀表。
可自動檢定各種電能表(選配)和指示儀表的各項指標。
電壓,電流,功率,相位,頻率,諧波均采用好處閉環輸出,設置點一次到位,軟件調整,使用方便。
電壓,電流,相位設有豐富常用實用點,操作簡單,一點到位,使用便捷效率高。
備有數字旋轉編碼器調節,使用便捷,簡單。
輸出電壓,電流和功率均為高精度,高穩定度標準源,軟件校準。
輸出標準諧波2~31次,可單次或任意疊加多次諧波輸出。
三相電壓之間,三相電流之間,各相電壓和電流之間可任意移相,因此也可模擬各種電力故障輸出。
具備三相頻率獨立設置,分相變頻。
備有多重報警和保護功能,故障自行檢測,并顯示故障類型和部位,使用安全可靠。
備有接口和軟件,接口協議開放,用戶可自行編程控制儀器。
可支持國內同類產品操作軟件使用。
三、主要技術指標(LYBSY-3000《多功能交流采樣變送器檢定裝置》服務快捷深受廣大客戶好評)
3.1交流模擬量輸出
3.1.1交流電壓輸出
量限: 100V、 220V、 380V、 57.735V;
調節范圍: (0~120)%RG,RG為量限
調節細度: 0.002%RG;
準確度: 0.05%RG;
穩定度: 0.01%/2min;
失真度: ≤0.1%(非容性負載);
輸出負載: 每相30VA;
3.1.2交流電流輸出
量限: 1A、2A、5A、20A;(50mA、200mA為1A檔量程內設置)
調節范圍: (0-120)%RG,RG為量限
調節細度: 0.002%RG;
準確度: 0.05%RG;
穩定度: 0.01%/2min;
失真度: ≤0.1%(非容性負載);
輸出負載: 每相25VA;
3.1.3功率輸出
有功準確度: 0.05%RG;
無功準確度: 0.1%RG;
穩定度: 0.01%/2min;
3.1.4相位輸出
調節范圍: 0°~359.99°;
分辨率: 0.01°;
準確度: 0.05°;
3.1.5功率因數
調節范圍: -1~0~+1;
分辨率: 0.0001;
準確度: 0.05%;
3.1.6頻率
調節范圍: 45Hz~65Hz;
分辨率: 0.001Hz;
準確度: 0.002Hz;
3.1.7三相電壓、電流對稱度和相位對稱度
電壓、電流對稱度: <0.02﹪;
相位對稱度: 0.05°;
3.1.8電壓電流諧波輸出
諧波次數: 2~31次;
諧波含量: 0~39%;
諧波相位: 0°~359.99°可調;
準確度: 2~14次2%
15~31次5%
3.2直流輸出(選配功能)
電壓
基本量程 | 負載電流(MAX) | 輸出功率(MAX) | 準確度 | 穩定度/1min | 紋波含量(%) |
75mV | 100mA | ≤40mW | 0.05﹪ | 0.01% | ≤0.5% |
10V | 200mA | ≤200mW | 0.05﹪ | 0.01% | ≤0.1% |
100V | 160mA | ≤2W | 0.05﹪ | 0.01% | ≤0.1% |
300V | 200mA | ≤10W | 0.05﹪ | 0.01% | ≤0.1% |
600V | 100mA | ≤10W | 0.05﹪ | 0.01% | ≤0.1% |
電流
基本量程 | 負載電壓(MAX) | 輸出功率(MAX) | 準確度 | 穩定度/1min | 紋波含量(%) |
1mA | 3V | ≤3W | 0.05﹪ | 0.01% | ≤0.5% |
10mA | 3V | ≤15W | 0.05﹪ | 0.01% | ≤0.5% |
20mA | 1.2V | ≤30W | 0.05﹪ | 0.01% | ≤0.5% |
輸出范圍: (0~120) %RG
調節細度: 0.002%
3.3直流測量(選配功能)
直流電流測量 | 測量范圍 | -24mA~24mA |
準確度 | 0.02% | |
直流電壓測量 | 測量范圍 | -48V~48V |
準確度 | 0.02% |
3.4電能脈沖量(選配功能)
脈沖輸出 | 有源脈沖輸出 | 電平5V±5%,輸出電流100mA 很大脈沖頻率:5kHz |
脈沖輸入 | 有源脈沖輸入 | 電平5V±5%,輸入電流1mA 很大脈沖頻率:5kHz |
3.5三相鉗表測量(選配功能)
三相鉗表輸入 | 三相鉗表接口 | 用于三相交流電流測量;量程:1A、5A、20A、量程自動切換;準確度等級,0.2% |
3.6環境條件
工作溫度:0℃~40℃
相對濕度:≤85%
儲存條件:-30℃~60℃
3.7工作電源
AC220V±15% 50Hz
3.8體積:450×440×132㎜,重量:18㎏
四、儀器按鍵說明(LYBSY-3000《多功能交流采樣變送器檢定裝置》服務快捷深受廣大客戶好評)
按鍵 | 說明 |
【VRange】 | 電壓量程切換 |
【IRange】 | 電流量程切換 |
【V/Y】 | 三相四線與三相三線切換;交流輸出單相小量程選項. 完成接線轉換,顯示屏狀態欄必須有V型或Y型顯示. |
【SET】 | 在此系列中未定義鍵 |
【Zero】 | 使輸出量全部降為零,并切斷源輸出,相當于源關閉,主要用于換接線 |
【For-ward】 | 能功界面切換,進入主菜單. |
【Back-ward】 | 能功界面切換,進入主菜單 |
【Enter】 | 確認鍵 |
【XB】 | 諧波鍵,用于設置諧波. |
【U】 | 設置、顯示,調節電壓 |
【I】 | 設置、顯示、調節電流 |
【P】 | 設置、測量、顯示、調節有功功率 |
【Q】 | 設置、測量、顯示、調節無功功率 |
【Φ】 | 設置、顯示、調節相位 |
【F】 | 設置、顯示、調節頻率 |
【A】 | 相序指示鍵 |
【B】 | 相序指示鍵 |
【C】 | 相序指示鍵 |
【←】 | 光標左移一位;直流量程選擇 |
【→】 | 光標右移一位;直流量程選擇 |
【-】 | 負號 |
【1】~【9】 | 數字鍵 |
【 . 】 | 小數點 |
【0%】~【120%】 | 常用電壓電流試驗點,按此鍵將同時輸出檔位的百分點 |
【0.0L】~【0.0C】 | 常用容性,感性試驗點 |
五、編碼器說明(LYBSY-3000《多功能交流采樣變送器檢定裝置》服務快捷深受廣大客戶好評)
按鍵 | 說明 |
編碼器右轉 | 1當光標在數字下時使數字上升 2在諧波設置界面操作時使光標右移 3 直流輸出量程選擇 |
編碼器左轉
| 1當光標在數字下時使數字下降 2在諧波設置界面操作時使光標左移 3 直流輸出量程選擇 |
編碼器下按 | 和確認鍵【Enter】功能相同 |
六、儀器接線說明
交流電壓輸出 接線方式 | Y型(三線四線)接線 Ua Ub Uc Un |
|
V型(三線三線)接線 Ua Uc Un | ||
交流電流輸出 接線方式 | Y型(三線四線)接線 Ia Ib Ic |
|
V型(三線三線)接線 Ia Ic (Ib短接) | ||
直流電壓輸出 接線方式 | 將Uo+和Rs+同時接到被試裝置+端; 將Uo-和Rs-同時接到被試裝置-端 |
|
直流電流輸出 接線方式 | I+端接被試裝置+端 I-端接被試裝置-端 |
|
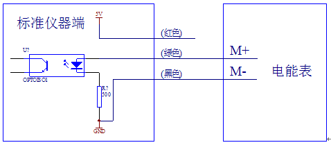
直流電壓電流 接線方式 | 綠色:直流電壓輸入端 黑色:直流電壓電流低端 紅色:直流電流輸入端 |
|
七、儀器界面操作說明
7.1菜單選擇界面
在任意界面按【MENU】鍵彈出菜單選擇界面如圖:

7.2交流輸出界面
開機后進入標準輸出界面如下:
V | 0.000 | 0.000 | 0.000 | 直流 | 0.001 |
A | 0.000 | 0.000 | 0.000 | 0.001 | |
φU | 0.000 | 0.000 | 0.000 | ||
φI | 0.000 | 0.000 | 0.000 | 50.000Hz | |
W | 0.000 | 0.000 | 0.000 | 0.000 | |
Vr | 0.000 | 0.000 | 0.000 | 0.000 | |
VA | 0.000 | 0.000 | 0.000 | 0.000 | |
PF | 0.000 | 0.000 | 0.000 | 0.000 | |
100V 5A Y型 無諧波 開環 | |||||
交流輸出界面操作說明:
電壓電流的檔位選擇 | 按【VRange】鍵 | 鍵切換電壓量限 |
按【IRange】鍵 | 鍵切換電流量限 | |
電壓的快捷輸出 | 按【數字】【U】【Enter】鍵 | 同時升三相電壓 |
按【數字】【U】【A】【Enter】鍵 | 只升Ua=【數字】 | |
按【數字】【U】【B】【Enter】鍵 | 只升Ub=【數字】 | |
按【數字】【U】【C】【Enter】鍵 | 只升Uc=【數字】 | |
電流的快捷輸出 | 按【數字】【I】【Enter】鍵 | 同時升三相電流 |
按【數字】【I】【A】【Enter】鍵 | 只升Ia=【數字】 | |
按【數字】【I】【B】【Enter】鍵 | 只升Ib=【數字】 | |
按【數字】【I】【C】【Enter】鍵 | 只升Ic=【數字】 | |
電壓與電流的角度設置 | 按【數字】【Φ】【Enter】鍵 | 設定三相功率因數角=【數字】 |
輸出頻率設置 | 按【數字】【F】【Enter】鍵 | 設置標準輸出頻率=【數字】 |
各種參數的粗調及微調 | 按鍵【U】【Enter】輸入顯示區U=×××.××× V, 旋轉數字編碼器將調節光標所在位的數字大小.按【→】【←】鍵移動光標位置將實現電量的粗調與微調. | |
按【U】【Enter】鍵 | 同時調節三相電壓幅度 | |
按【U】【A】【Enter】鍵 | 調節A相電壓幅度
| |
按【U】【B】【Enter】鍵
| 調節B相電壓幅度
| |
按【U】【C】【Enter】鍵
| 調節C相電壓幅度
| |
按【I】【A】【Enter】鍵
| 調節A相電流幅度
| |
按【I】【B】【Enter】鍵
| 調節B相電流幅度
| |
按【I】【C】【Enter】鍵
| 調節C相電流幅度
| |
按【Φ】【Enter】鍵
| 調節電壓與電流角度
| |
按【F】【Enter】鍵 | 調節輸出頻率 | |
關閉源輸出 | 按【Zero】鍵
| 關閉源輸出 |
三相四線與三相三線轉換 | 按【V/Y】鍵 | 三相四線與三相三線切換 |
切換界面 | 按【MENU】鍵 | 菜單選擇界面 |
7.3直流輸出界面
0.0000V | |
檔位 | 直流電壓600V |
檔位選擇 | |
狀態 | 直流源以打開,直流電壓輸出 |
直流輸出界面操作說明
直流檔位選擇 | 按【VRange】(電壓量程)鍵 | 通過【←】【→】鍵選擇電壓量程 |
按【IRange】(電流量程)鍵 | 通過【←】【→】鍵選擇電流量程 | |
直流電壓輸出 | 按【數字】【U】【Enter】鍵 | 輸出電壓U =【數字】 |
按【0%】~【120%】鍵常用電壓試驗點 | 輸出檔位值的百分點電壓 | |
按【U】【Enter】鍵 | 通過旋鈕調節電壓值 | |
直流電流輸出 | 按【數字】【I】【Enter】鍵 | 輸出電流I =【數字】 |
按【0%】~【120%】鍵常用電流試驗點 | 輸出檔位值的百分點電流 | |
按【I】【Enter】鍵 | 通過旋鈕調節電流值 | |
關閉直流源 | 按【Zero】鍵 | |
直流輸出的 接線方式 | 直流電流接線: 將連接線接入前面板直流電流輸出端子,紅色接線柱極, 黑色接線柱為負極。 | |
直流電壓接線: 直流電壓輸出采用四線輸出方式,其中UO+、UO-為輸出端 | ||
7.4 諧波顯示界面
次數 | UA[%] | 10+ | 20+ | IA[%] | 10+ | 20+ | |||
總量 | 0.000 | THDU | 0.000 | 0.000 | THDI | 0.000 | |||
1 | 100.00 | 0.000 | 0.000 | 100.00 | 0.000 | 0.000 | |||
2 | 0.000 | 0.000 | 0.000 | 0.000 | 0.000 | 0.000 | |||
3 | 0.000 | 0.000 | 0.000 | 0.000 | 0.000 | 0.000 | |||
4 | 0.000 | 0.000 | 0.000 | 0.000 | 0.000 | 0.000 | |||
5 | 0.000 | 0.000 | 0.000 | 0.000 | 0.000 | 0.000 | |||
6 | 0.000 | 0.000 | 0.000 | 0.000 | 0.000 | 0.000 | |||
7 | 0.000 | 0.000 | 0.000 | 0.000 | 0.000 | 0.000 | |||
8 | 0.000 | 0.000 | 0.000 | 0.000 | 0.000 | 0.000 | |||
9 | 0.000 | 0.000 | 0.000 | 0.000 | 0.000 | 0.000 | |||
10 | 0.000 | 0.000 | 0.000 | 0.000 | 0.000 | 0.000 | |||
A相 | F含量 | P添加 | Q刪除 | ||||||
諧波顯示操作說明
ABC相切換 | 按【A】【B】【C】鍵 | 切換當前顯示內容 |
添加\刪除諧波 | 按【P】【Q】鍵 | 進入界面 |
7.5矢量顯示界面
UA | 0.00 | ||
UB | 0.00 | ||
UC | 0.00 | ||
IA | 0.00 | ||
IB | 0.00 | ||
IC | 0.00 | ||
a | 0.00 | ||
b | 0.00 | ||
c | 0.00 | ||
F習慣法 | P角度 | Q 0~360 | |
矢量顯示操作說明
UA.UB.UC | 為三相電壓角度 |
IA.IB.IC | 為三相電流角度 |
a.b.c | 為三相電壓電流之間角度 |
7.6電能校驗界面(選配功能)
電能誤差 | 啟動校驗 | ||||
實測電能 | 有功電能 | ||||
電壓 | 0.000 | 0.000 | 0.000 | 常數 | 0.0 |
電流 | 0.000 | 0.000 | 0.000 | 圈數 | 0 |
電壓相位 | 0.000 | 0.000 | 0.000 | 低頻輸出 | |
電流相位 | 0.000 | 0.000 | 0.000 | 50.000Hz | |
有功功率 | 0.000 | 0.000 | 0.000 | 0.000 | |
無功功率 | 0.000 | 0.000 | 0.000 | 0.000 | |
視在功率 | 0.000 | 0.000 | 0.000 | 0.000 | |
功率因數 | 0.000 | 0.000 | 0.000 | 0.000 | |
狀態 | 100V 5A Y型 無諧波 開環 | ||||
電能校驗方法:
按【→】鍵光標進入編輯狀態,此時按面板上數字鍵置數,按【→】鍵光標進入下一個編輯框,當參數全部設置好后按【Enter】確認并開始校驗。
有功電能校驗和無功電能校驗切換方法:
按【→】至有功電能處按【Enter】建切換有功或無功
按【→】至常數設置常數【Enter】確定
按【→】至圈數設置圈數 【Enter】確定
按【→】至停止校驗按【Enter】開始校驗,
常數設置范圍
設置范圍(1A-18000;2A-9000;5A-3600;20A-900)。
圈數設置范圍
設置范圍(1---9999999)一般設5圈左右,刷新很快的時候圈數設大。
脈沖端口定義

1 腳 : 信號 (綠色)
3 腳 : 5V (紅色)
5 腳 : 地 (黑色)
有源電能表接線方法

無源電能表接線方法

7.7參數校準界面
此界面為儀器的參數校準,為了保證儀器精度此界面不對用戶開放。
八、注意事項
儀器在使用時必須有良好的接地。
檢定溫度23±1℃。
為確保儀器指標精度,使用前請預熱30分鐘。
注意不同被測對象選用適當量限。
儀器端子輸出為標準源,其端子上不可接入任何其它電源。
標準功率輸出時,必須先選擇好輸出電壓和相位,功率輸出極大不能超過理論計算值的120%。
在本設備與其它設備連接通迅前應斷開所有設備電源,然后再連接。帶電連接會對設備造成損壞。
直流輸出5A 25A時請將電流升至100%預熱五至十分鐘。

500千伏黎桂甲線完成防冰加固改造。該線路是“黔電送粵"關鍵線路,是南方電網西電東送主網架的重要組成部分,工程通過全面提升鐵塔承重與抗冰標準,顯著增強西電東送主網架在惡劣天氣下的運行可靠性。
500千伏黎桂甲線起于黔桂兩省區交界的黎平縣,途經苗嶺山脈與雪峰山分界河谷地帶的廣西東北部,局部地區海拔超過1000米,是每年冬季防冰抗冰的關鍵區段。本次抗冰加固改造項目新建桿塔15基、改造線路5.8公里,將鐵塔自重提升3倍,并將復雜微地形區的抗冰標準從10—15毫米提高到30毫米,實現了鐵塔承重與抗冰標準的雙提升。
據了解,南網超高壓公司克服工期緊張、施工難度大等困難,采取“一塔一班組"的精細化施工模式,并啟動應急安全管控“三人小組",嚴格把控安全、質量與進度,在原定計劃周期內完成改造任務。接下來,南網超高壓公司將繼續推進“黔電送粵"主通道500千伏黎桂乙線等關鍵線路的防冰改造,為電網安全度冬提供堅實保障。
本公司是專業生產“多功能交流采樣變送器檢定裝置"高壓電力檢測設備的廠家,本產品為客戶解決了各種在變電站等實驗中的問題。我們的宗旨是不斷地改進和完善公司的產品,同時我們保留對儀器使用功能進行改進和升級的權力,如果您發現儀器在使用過程中其功能與說明書介紹的不全部一致,請以儀器的實際功能為準。在產品的使用過程中發現有什么問題,請與我們及時聯系!我們將盡力提供完善的技術支持!(上海來揚電氣網站新聞及技術文章內容為傳遞更多信息而非盈利之目的,內容僅供參考,僅代表作者個人觀點,以實際情況為準。)版權歸原作者所有,若有侵權,請聯系我們刪除。






